01 Precise delay| Automatic switching
YX5520 star-delta time relay has an adjustable delay range (commonly 0.1 seconds to 30 seconds), and can precisely set the switching time according to the motor power and load conditions without manual intervention.
02 High compatibility|Worry-free compatibility
YX5520 star-delta time relay features an ultra-wide voltage adaptability range and can be compatible with power supply environments in different countries and regions without the need for additional transformers or voltage regulating equipment.
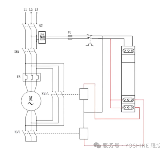
03 Triangular (Y-Δ) reduced-voltage starting circuit
YX5520 star-delta time relay reduces the starting current impact by "lowering the voltage at startup", allowing the motor to accelerate smoothly in the circuit system - it is equivalent to adding a "buffer" to the motor startup, protecting the motor, circuit and related equipment.
04 Product Panel
YX5520 star-delta time relay adopts a knob design and is equipped with multi-color LED indicator lights to provide real-time feedback on the working status.
05 Functional Diagram

06 Wiring Diagram

07 Dimension